41+ Troy Bilt Squall 2100 Replacement Parts

Atvs utvs snowmobiles 22. Web Lawn Mower and Snow Blower Engine Parts.


Carburetor For Troy Bilt Squall 31as2t5f711 21 In Snow Blower Ebay

Cub Cadet - Replacement Kohler Engines Note.

. 2 Stage Troy Bilt Storm 2410 Snowblower. Troybilt Squall 2100 snowblower. See Top 100 in Patio Lawn Garden 68 in Snow Blower Replacement Parts.

Troy-Bilt Single Stage Snow Thrower Operators Manual. 951-12705 Carburetor for Troy-Bilt Storm 2410 2620 31AS62N2711 31AS2P5C711 31AS2P5C Squall 2100 Replaces MTD Yard Machines 31AM62EE700 31AS62EE731 31AS2N1C701 Cub Cadet 524SWE Snow Blower. Web 951-12705 Carburetor for Troy-Bilt Storm 2410 2620 31AS62N2711 31AS2P5C711 31AS2P5C Squall 2100 Replaces MTD Yard Machines 31AM62EE700 31AS62EE731 31AS2N1C701 Cub Cadet 524SWE Snow Blower.

Page 41 Una vez que la bujía está colocada en su. Web If your protocol is a sub-study of an existing study please include a brief description of the parent study the current status of the parent study and how the sub-study will fit with the parent study. Web View and Download Troy-Bilt Squall 2100 operators manual online.

Web general for sale 41. Is Discontinued By Manufacturer. Motorcyclesscooters 10 show 40 more 28 hide 40 more 28.

Replacement Parts Component Phone 800 800-7310 to order replacement parts or a complete Parts Manual have your full model number and serial number ready. Patio Lawn Garden.


Amazon Com Replacement Parts Carburetor Carb For Cub Cadet Mtd Troy Bilt Squall 2100 Snow Blower Patio Lawn Garden


Troy Bilt 31am2p5b Squall 2100 21 Walk Behind 2008 31am2p5b711 2008 31am2p5b766 2008 Parts Diagrams


Amazon Com 951 12098 Carburetor For Troy Bilt Squall 2100 Squall 210 Squall 210e 31a 2m5e711 Snow Blower Part 751 12098 951 14093 Cub Cadet Troy Bilt 265 Ju 265 Ju 11 Hy 165j A135 Hy 170ja Patio Lawn Garden


Troy Bilt Squall 2100 21 Walk Behind 31am2p5b Ereplacementparts Com


Troy Bilt Squall 2100 Snowblower Rough Idle Hunting Carbeurator Cleaning Guide Youtube


Carburetor For Troy Bilt Squall 2100 208cc 21 In Snow Blower 710359619692 Ebay


Amazon Com 951 12098 Carburetor For Troy Bilt Squall 2100 Squall 210 Squall 210e 31a 2m5e711 Snow Blower Part 751 12098 951 14093 Cub Cadet Troy Bilt 265 Ju 265 Ju 11 Hy 165j A135 Hy 170ja Patio Lawn Garden


Troy Bilt Snow Blower Review 2019


Shop Troy Bilt Parts Mtd Parts


Troy Bilt 31as2p5c Squall 2100 21 31as2p5c711 31as2p5c766 10 Snow Thrower


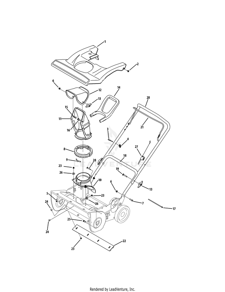
Troy Bilt 31as2t5f711 Squall 2100 2014 Parts Diagrams


Amazon Com Aokus Huayi Carburetor For 123cc Troy Bilt Squall 210 Snow Blower 31a 2m5e766 New Patio Lawn Garden


Troy Bilt Squall 2100 Snow Blower Review Consumer Reports


Replace Carburetor For Troy Bilt Squall 2100 Snow Blower Ebay


Troy Bilt Snowblower Parts


Troy Bilt 31as2t5f711 Squall 2100 2014 Parts Diagrams


Troy Bilt 31as2p5c Squall 2100 21 31as2p5c711 31as2p5c766 10 Snow Thrower

Iklan Atas Artikel

Iklan Tengah Artikel 1

Iklan Tengah Artikel 2

Iklan Bawah Artikel